管道压力测试仪/管道密封性检测仪(带一套工装) 型号:SUP_QMY_A库号:M411175
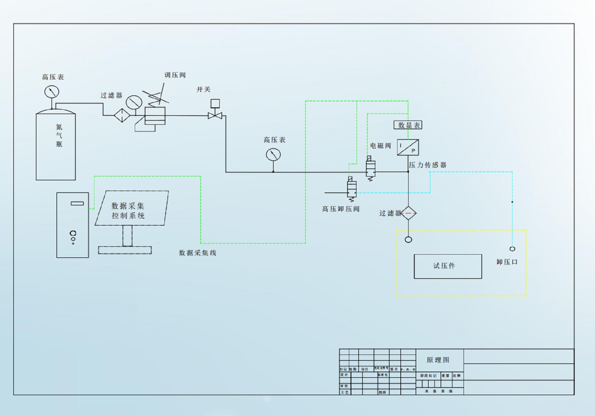
管道压力测试仪/管道密封性检测仪 型号:SUP_QMY_A 时间可以在 0-999sec 内任*意调节。 保压时间、恒压时间等任意可调。 整个测试过程提示。如升压过程,恒压过程,保压过程 基本原理:通过调压阀来实现压力的调节,恒压时间,保压时间,然后通过相应的传感器和电磁阀来实现压力的控制,设备采用直压法来检测。 参数 试验压力:0.5MPa 压力值分辨率:0.1kpa 压力传感器:试验压力采样频率 1 秒 试验介质:空气 压力控制方式:单片机 操作方式:自动 试样数量:1 路控制试验压力和试验时间 相对湿度:<85% 试样安装方式:手动或自动夹紧 结构组成:压力调节系统,压力控制系统,工件安装装置,压力采集保存系统 适用范围:管件、容器、阀门等






管道压力测试仪/管道密封性检测仪 型号:SUP_QMY_A 时间可以在 0-999sec 内任*意调节。 保压时间、恒压时间等任意可调。 整个测试过程提示。如升压过程,恒压过程,保压过程 基本原理:通过调压阀来实现压力的调节,恒压时间,保压时间,然后通过相应的传感器和电磁阀来实现压力的控制,设备采用直压法来检测。 参数 试验压力:0.5MPa 压力值分辨率:0.1kpa 压力传感器:试验压力采样频率 1 秒 试验介质:空气 压力控制方式:单片机 操作方式:自动 试样数量:1 路控制试验压力和试验时间 相对湿度:<85% 试样安装方式:手动或自动夹紧 结构组成:压力调节系统,压力控制系统,工件安装装置,压力采集保存系统 适用范围:管件、容器、阀门等 管道压力测试仪/管道密封性检测仪(带一套工装) 型号:SUP_QMY_A库号:M411175
|