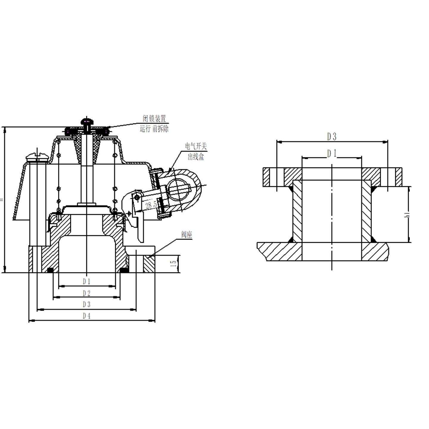
压力释放阀 型号:HX03-YSF4Ⅱ-85/50KJBTH库号:M413348 查看hh
midwest-group
用 途
产品具有电气报警信号,可实现远程监控。
适用于液体或气体绝缘的变压器、互感器、有载分接开关、高压开关等电气产品。
当电气设备内部发生故障时,阀将开启释放油箱内的压力,避免油箱变形与爆裂。
油箱内压力降到阀的关闭压力值时,阀又关闭,免除外界水分及杂质进入箱内。
使用条件及安装方式 型 号 说 明
环境温度
-30℃~40℃。
安装位置
a)安装在油箱盖上;
b)油箱上部侧壁上;
c)升高座上。中西集团压力释放阀 型号:HX03-YSF4Ⅱ-85/50KJBTH库号:M413348 查看hh
midwest-group
用 途
产品具有电气报警信号,可实现远程监控。
适用于液体或气体绝缘的变压器、互感器、有载分接开关、高压开关等电气产品。
当电气设备内部发生故障时,阀将开启释放油箱内的压力,避免油箱变形与爆裂。
油箱内压力降到阀的关闭压力值时,阀又关闭,免除外界水分及杂质进入箱内。
使用条件及安装方式 型 号 说 明
环境温度
-30℃~40℃。
安装位置
a)安装在油箱盖上;
b)油箱上部侧壁上;
c)升高座上。中西集团






|