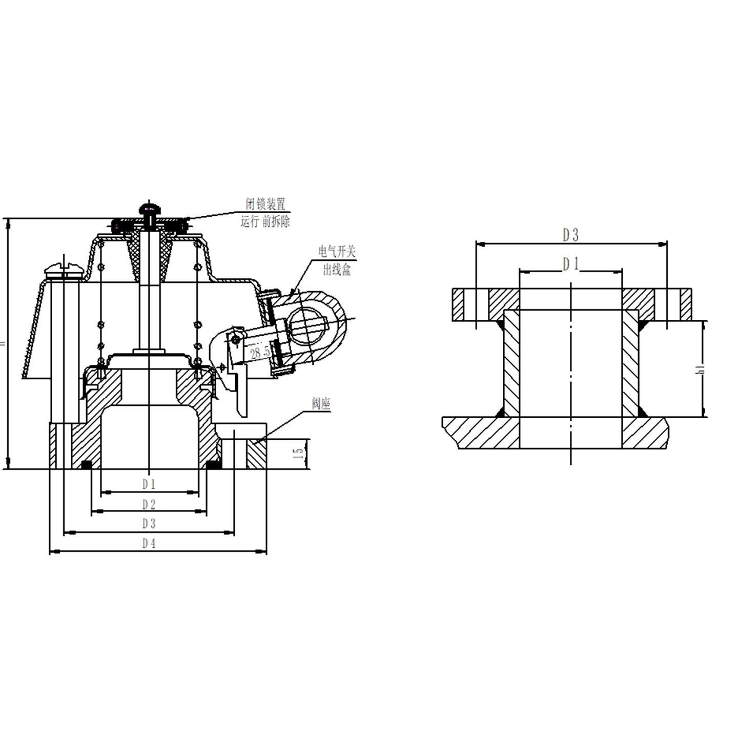
压力释放阀库号:M412318 压力释放阀 型号:HX03-YSF4II-55/130KJTH库号:M412318 查看hh midwest-group 用 途 产品具有电气报警信号,可实现远程监控。 适用于液体或气体绝缘的变压器、互感器、有载分接开关、高压开关等电气产品。 当电气设备内部发生故障时,阀将开启释放油箱内的压力,避免油箱变形与爆裂。 油箱内压力降到阀的关闭压力值时,阀又关闭,免除外界水分及杂质进入箱内。 使用条件及安装方式 型 号 说 明 环境温度 -30℃~40℃。 安装位置 a)安装在油箱盖上; b)油箱上部侧壁上; c)升高座上。 参数 喷油口径Φ130mm, 开启压力为55kPa, 开启压力偏差(kPa):±5% 关闭压力(kPa):29.5 密封压力(kPa):33
压力释放阀 型号:HX03-YSF4II-55/130KJTH库号:M412318 查看hh midwest-group 用 途 产品具有电气报警信号,可实现远程监控。 适用于液体或气体绝缘的变压器、互感器、有载分接开关、高压开关等电气产品。 当电气设备内部发生故障时,阀将开启释放油箱内的压力,避免油箱变形与爆裂。 油箱内压力降到阀的关闭压力值时,阀又关闭,免除外界水分及杂质进入箱内。 使用条件及安装方式 型 号 说 明 环境温度 -30℃~40℃。 安装位置 a)安装在油箱盖上; b)油箱上部侧壁上; c)升高座上。 参数 喷油口径Φ130mm, 开启压力为55kPa, 开启压力偏差(kPa):±5% 关闭压力(kPa):29.5 密封压力(kPa):33 压力释放阀库号:M412318 





|